Modulador de RF

Es posible montar este modulador RF compacto y ligero directamente en la placa CI madre del aparato en cuestión. Es apto para el uso con un VCR, un receptor de satélite, un disco láser, etc. El modulador utiliza el sistema PAL G.

Características
excelente calidad de vídeo y audio
amplificador de antena con ganancia elevada
excelente estabilidad de la frecuencia a temperaturas de 0°C a 60°C
compacto y fiable
generador de señal de prueba para ajuste y prueba
Especificaciones
sistema: PAL-G
canal preprogramado: CH36
alcance de canales: CH28-CH41 seleccionable
generador ajustable B/N incorporado
vídeo:
nivel de entrada de vídeo: 1Vp-p
nivel de modulación de vídeo: 75%
impedancia de entrada de vídeo: 75 ohm no estabilizado
fase diferencial: 10° máx.
ganancia diferencial: 10% máx.
audio:
nivel de entrada: 1Vp-p 100% modulación a 1KHz
factor de modulación: 100% mod. ±50 KHz
impedancia de entrada: 10k ohm mín. no estabilizado
distorsión armónica total: 3% máx.
relación señal / ruido: 45dB mín.
RF:
canal de salida: UHF 30-40 (CCIR) (ajuste de fábrica CH36 (591.25MHz±0.5 MHz) si no consulte el manual del usuario del aparato conectado)
nivel de salida: 70db V ±4
diferencia en nivel de salida (de imagen a audio): -16dB ±4
emisiones parásitas dentro de la banda otorgada: -60dB
emisiones parásitas fuera de la banda otorgada: -40dB
estabilidad & temperatura de la frecuencia portadora: ±600KHz de 0°C a 60°C
amplificador antena RF:
rango de frecuencia: 47-862MHz
impedancia de entrada & salida: 75 ohm
ganancia: 4.5dB ±3
alimentación: 5Vdc
consumo de corriente: 60mA
conector RF para entrada de antena RF y salida TV

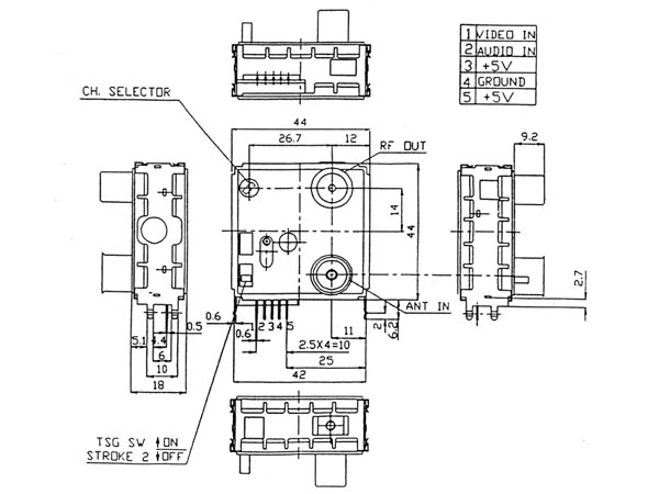
Descripción

5666125